Cesta: Maturitní obory » Studijní materiály » TZB » Ing. Pobořil » 3.ročník ZDT » ZDT 3. ročník Pisoáry
ZDT 3. ročník Pisoáry
Skripta strana 20
Rozdělení: PM, PZ, PS
Instalace: Horní okraj 600-650 mm
Technologie II, strana 140-143
Přílohy ke stažení
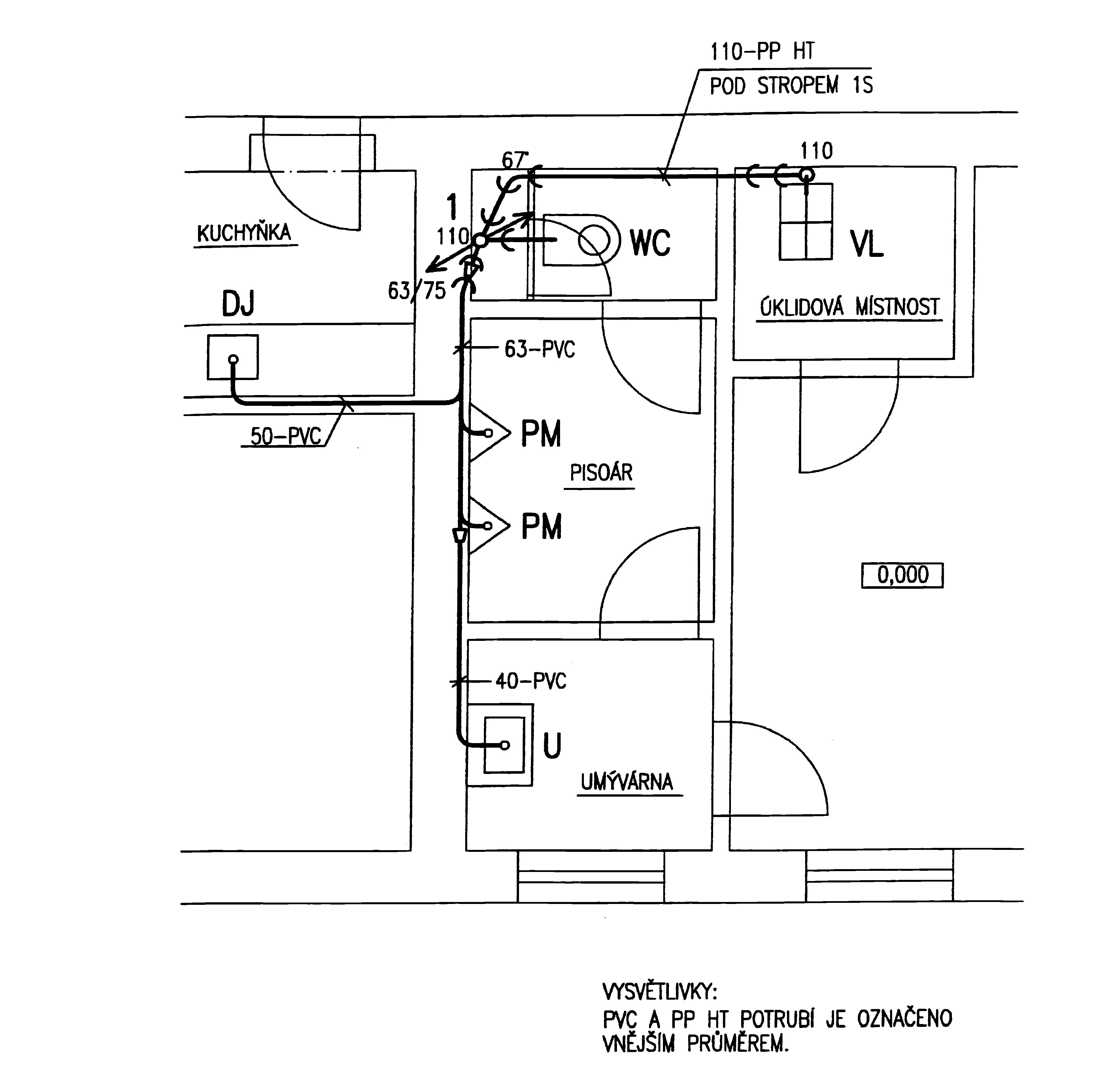
zdt-t3-pisoary-pudorys.jpg
(637.13 KB)
zdt-t3-pisoary-schema.jpg
(826.77 KB)




